
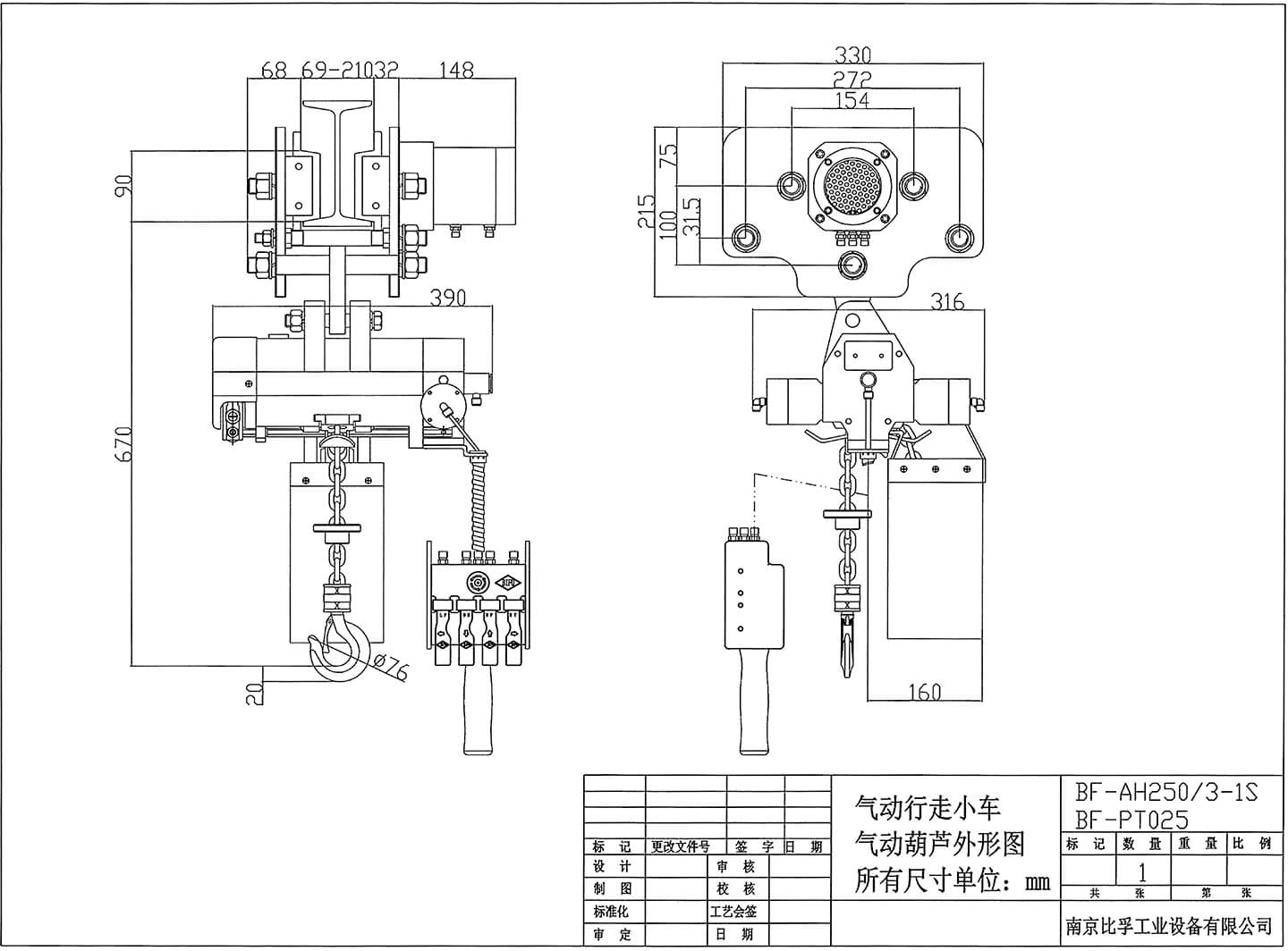
BF-AH250/3-1S
气动葫芦型号:BF-AH250/3-1S
BF:比孚公司首字母拼音缩写
AH:airhoist气动葫芦首字母缩写
250:起重量(kg)
3:行程距离(m)
s:链条行数
气动行走小车型号:BF-PT025
BF:比孚公司首字母拼音缩写
P:pneumatic首字母缩写
T:额载载重(t)
| 项目 | 性能指标 | 单位 |
| 型号 | BF-AH250/3-1S | |
| 防爆证书 | II 2GD Ex h IIC T6 Gb Ex h IIIC T80℃ Db |
气体粉尘 |
| 额定起重量 | 250 | kg |
| 标准提升高度 | 3.0(可根据客户需求定制) | m |
| 额载提升速度 | 25 | m/min |
| 额载下降速度 | 32 | m/min |
| 空载提升速度 | 32 | m/min |
| 空载下降速度 | 25 | m/min |
| 工作气压 | 0.4-0.7 | Mpa |
| 耗气量 | 1.3 | m³/min |
| 外接气管接头 | RC1/2 | in |
| 外接软管尺寸(内径/外径) | 12/16 | mm |
| 链条行数 | 1 | n |
| 链条尺寸材质 | 6.3*19 | mm |
| 噪声 | 85 | dBA |
| 净重 | 22 | Kg |
| 运行方式 | 气动 | |
| 过载保护 | 有 | |
| 断气保护 | 有 |
| 项目 | 性能指标 | 单位 |
| 型号 | BF-PT025 | |
| 配套气动葫芦型号 | BF-AH250/3-1S | |
| 额定负载 | 0.250 | t |
| 额载行走速度 | 12 | m/min |
| 工作气压 | 0.4-0.7 | Mpa |
| 满载耗气量 | 0.4 | m³/min |
| 适用钢梁宽度 | 64-203 | mm |
| 外接软管尺寸(内径/外径) | 6/8 | mm |
| 净重 | 29 | Kg |
| 噪声 | 85 | dBA |
| 运行方式 | 气动 | |
| 过载保护 | 有 | |
| 断气保护 | 有 | |
| 紧急停车装置 | 有 |

新能源动力设备,人机工程学装卸系统
行走式气动葫芦(防爆气动葫芦)
行走式气动葫芦优点与特性:
1、满负荷运行,实现长时间连续作业。
2、气动马达由于空气压力的作用,不受粉尘、湿气和腐蚀性气体影响,是铸造厂和电镀厂应用的理想选择。
3、气动葫芦不会产生电击危险,适合在化工厂、制药厂和精炼厂等高度易燃的环境中使用。
气动行走小车优点与特性:
1、BF气动小车可与BF系列气动葫芦配套使用,实现前后左右有动力运行。
2、气动行走小车是通过气动马达驱动减速器来实现运行的,可配套全系列气动葫芦。
•具有常闭式刹车功能
•具有断气保护功能
•具有无极变速功能
•可调节轮距,适应多种规格工字钢或H型钢
标准额定工作气压是0.4Mpa-0.7Mpa(56-100psi)