
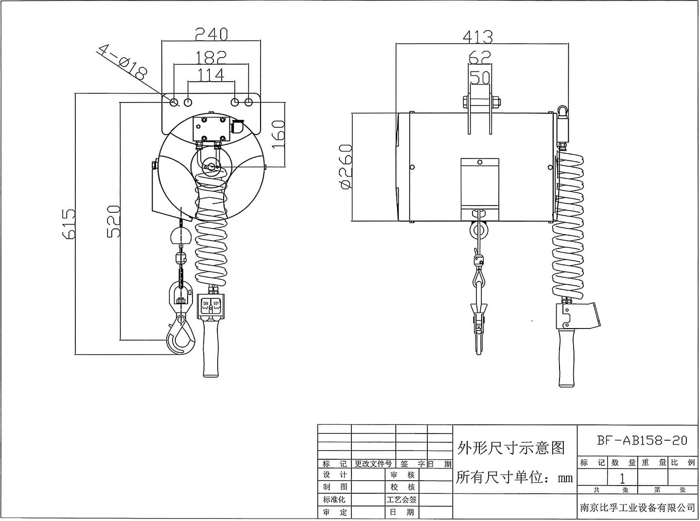
BF-AB158-20
气动平衡吊型号:BF-AB158-20
BF:比孚公司首字母拼音缩写
AB:air balance气动平衡吊首字母缩写
158:起重量
20:提升高度
| 项目 | 性能指标 | 单位 |
| 型号 | BF-AB158-20 | |
| 额定起重量 | 158 | kg |
| 标准提升高度 | 2.0 | m |
| 工作气压 | 0.7 | Mpa |
| 耗气量 | 0.21 | m³/min |
| 外接气管接头 | G3/8 | in |
| 外接软管尺寸(内径/外径) | 8/12 | mm |
| 缸体直径 | Ø260 | mm |
| 净重 | 42 | Kg |
| 运行方式 | 气动 | |
| 过载保护 | 有 | |
| 断气保护 | 有 |

新能源动力设备,人机工程学装卸系统
气动平衡吊(气动平衡器)
气动平衡吊定义:
气动平衡吊是一种气动助力搬运设备,它以压缩空气作为动力源,通过传动机构,平衡物体自身重力和气缸内压力来实现重物的提升运动和下降运动。
气动平衡吊的优点与特性:
★具有较快的上升,下降速度,通常是电动葫芦2-6倍速度
★具有精确、无应力定位-浮动模式使双手自由地提升、下降或移动负载,几乎没有任何阻力。不再有葫芦定位控制不精确的问题,实现助力装配等工作。
★具有极高的工作制,连续负载运行,免维护。
★采用压缩空气为动力,无火花运行安全可靠。
★依靠丝杠传动,上升和下降平滑无抖动,并且可以无极变速
★安全——①具有断气保护功能,即便突然切断气源,重物也不会坠落。
②具有过载保护功能,无法提起超过额定负载的重量。
★节能——①极低的耗气量,平均每个工作循环耗气量约为0.18-0.30m³/min。
②清洁无油运行,仅在内部预加注润滑即可长久使用。
③体积小,无噪音。
气动平衡吊标准额定工作气压是0.7Mpa(100psi)。